This monolithic decimal decoder consists of eight inverters and ten four-input NAND gates. The inverters are connected in pairs to make BCD input data available for decoding by NAND gates. Full decoding of valid input logic ensures that all outputs remain off for all invalid input conditions.
Ordering Information
|
Part Name |
Package Type |
Package Code (Previous Code) |
Package Abbreviation |
Taping Abbreviation (Quantity) |
|
HD74LS42P |
DILP-16 pin |
PRDP0016AE-B (DP-16FV) |
P |
— |
|
HD74LS42FPEL |
SOP-16 pin (JEITA) |
PRSP0016DH-B (FP-16DAV) |
FP |
EL (2,000 pcs/reel) |
|
HD74LS42RPEL |
SOP-16 pin (JEDEC) |
PRSP0016DG-A (FP-16DNV) |
RP |
EL (2,500 pcs/reel) |
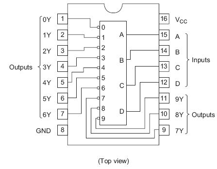
Pin Arrangement

Absolute Maximum Ratings
|
Item |
Symbol |
Ratings |
Unit |
|
Supply voltage |
VCC |
7 |
V |
|
Input voltage |
VIN |
7 |
V |
|
Power dissipation |
PT |
400 |
mW |
|
Storage temperature |
Tstg |
–65 to +150 |
°C |